Заказать звонок



Гидравлическая шламовая помпа модель HYDRA-TECH S6TC

Описание шламовой помпы HYDRA-TECH S6TC

Высокопроизводительная шламовая помпа с диаметром корпуса 530 мм разработана для работы в ограниченных пространствах. Её закрытое двухканальное колесо предотвращает засоры, что позволяет перекачивать загрязнённые жидкости с твёрдыми включениями, такими как песок, мусор и грунт. Эта модель особенно эффективна для транспортировки загрязнённых жидкостей на значительные расстояния и высоты, что делает её надёжным решением для самых сложных задач.

Помпа идеально подходит для использования на строительных объектах, в системах водоотведения и в экстренных ситуациях, где необходима оперативная откачка загрязнённых вод. Мобильность и компактность устройства позволяют легко перемещать его с объекта на объект, а простота обслуживания минимизирует время простоя и снижает эксплуатационные затраты.

Запросить

Технические характеристики шламовой помпы HYDRA-TECH S6TC

  • Максимальный размер твёрдых частиц: до 75 мм.
  • Вес модели: S6TC - 122 кг.
  • Диаметр корпуса: 530 мм.
  • Напорный порт: 6″, NPT (F).
  • Входной фланец: 6″, 125# ANSI.
  • Штуцеры под БРС: 1” (-16) SAE.
  • Материалы: Лопасть и пластина — ковкий чугун, вал — нержавеющая сталь, уплотнение вала — графит/керамика (стандарт) или карбид кремния (опция).
  • Эластомеры: Буна N (стандарт).
  • Гидравлическое масло: 214-320 s.s.u. при 100°F (64°C).
  • Максимальный поток масла: до 106 л/мин.
  • Рабочее давление: до 207 бар.
  • Источник питания: гидравлические станции Hydra-tech HT35 – HT60 или аналогичные гидравлические системы с потоком до 105 л/мин.
Запросить

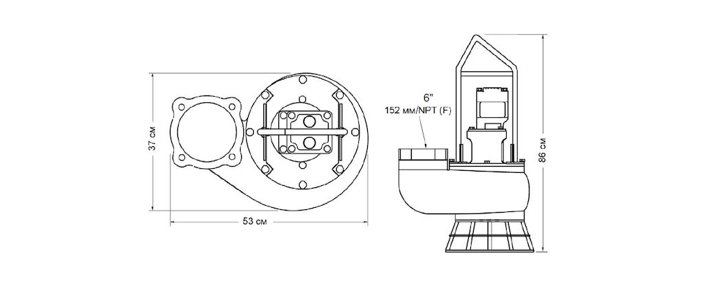
Габаритные размеры шламовой помпы HYDRA-TECH S6TC

Габаритные размеры шламовой мешалки

Диаграмма производительности шламовой помпы HYDRA-TECH S6TC:

Диаграмма производительности помпа


Управление cookies
Мы используем файлы cookie, чтобы обеспечить наилучшее взаимодействие с сайтом.