Заказать звонок



Гидравлическая шламовая помпа модель HYDRA-TECH S6V

Описание шламовой помпы HYDRA-TECH S6V

Высокопроизводительная шламовая помпа с диаметром корпуса 560 мм разработана для работы в ограниченных пространствах. Её закрытое двухканальное колесо предотвращает засоры, что позволяет перекачивать загрязнённые жидкости с твёрдыми включениями, такими как песок, мусор и грунт. Эта модель особенно эффективна для транспортировки загрязнённых жидкостей на значительные расстояния и высоты, что делает её надёжным решением для самых сложных задач.

Помпа идеально подходит для использования на строительных объектах, в системах водоотведения и в экстренных ситуациях, где необходима оперативная откачка загрязнённых вод. Мобильность и компактность устройства позволяют легко перемещать его с объекта на объект, а простота обслуживания минимизирует время простоя и снижает эксплуатационные затраты.

Запросить

Технические характеристики шламовой помпы HYDRA-TECH S6V

  • Вес: - 116 кг
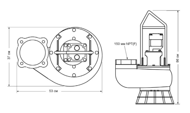
  • Высота: - 86 см
  • Макс. диаметр корпуса: - 53 см
  • Горловина для сбросового рукава: - 150 мм, NPT (F)
  • Входной фланец: - 150 мм,125# ANSI
  • Макс. размер твердых частиц: - (без решетки) 125 мм, (с решеткой) 63 мм
  • Штуцеры под БРС: - 1” SAE
  • Корпус: - пористый чугун
  • Пластина компенсирующая износ: - сталь A36
  • Вал: - 17-4 PH нержавеющая сталь
  • Лопасть: - пористый чугун
  • Уплотнение вала: - графит/керамика(стн), карбид кремния(опц)
  • Эластомер: - Буна Н
  • Гидравлическое масло: - 214-320 s.u.s. @ 100 °F (64 °C)
  • Поток масла: - макс. 114 л/мин
  • Рабочее давление: - макс. 204 bar
  • Источник питания: - гидравлическая система с открытым центром
Запросить

Габаритные размеры шламовой помпы HYDRA-TECH S6V

Гидравлическая шламовая помпа модель HYDRA-TECH S6V- Габаритные размеры помпы

Диаграмма производительности шламовой помпы HYDRA-TECH S6V:

Гидравлическая шламовая помпа модель HYDRA-TECH S6V - Диаграмма производительности помпы S6V


Управление cookies
Мы используем файлы cookie, чтобы обеспечить наилучшее взаимодействие с сайтом.