Заказать звонок



Погружные насосы с гидравлическим двигателем PTSH

Описание погружного насоса с гидравлическим двигателем PTSH

Мультиканальный импеллер с двойным режущим механизмом.

Для фиксированной установки с гидромотором или на самодвижущемся кронштейне под управлением гидравлики.

Запросить

Технические характеристики насоса с гидравлическим двигателем PTSH

  • Производительность: - 380 м³/ч
  • Напор: - макс. 26 м
  • Расход масла: - макс. 48 л/мин
  • Давление масла: - макс. 316 бар
Погружные насосы с гидравлическим двигателем PTSH -Технические характеристики насоса PTSH
Запросить

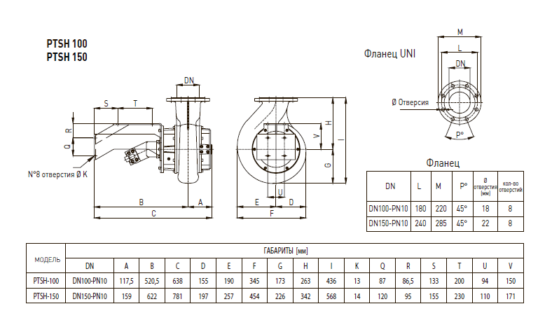
Габаритные размеры насоса с гидравлическим двигателем PTSH

Погружные насосы с гидравлическим двигателем PTSH - Габаритные размеры насоса PTSH

Диаграмма производительности насоса с гидравлическим двигателем PTSH

Погружные насосы с гидравлическим двигателем PTSH - Диаграмма производительности насоса PTSH


Управление cookies
Мы используем файлы cookie, чтобы обеспечить наилучшее взаимодействие с сайтом.